

API682标准对应用于石油、石化和天然气工业中的离心泵用密封系统提出了具体要求,并给出了推荐应用的密封系统[1]。API682标准早期仅应用于API和美国,由于它在炼油厂API泵上良好的运行业绩,得到了全球范围内用户和制造商的广泛认可,并在不断地进行升级和补充(目前以发展到第4版),其应用领域也拓展至各种行业关键用泵中,如炼油、石油化工、天然气、煤化工、输油管线、能源、化肥厂尿素装置、水泥厂余热发电用泵等。
API682标准不只是针对单一的技术解决方案。除了经过证实和试验的标准解决方案以外,标准还特意列出了备选解决方案,以及定制化的解决方案。第4版标准比以往版本更具多样性,除了保留已有的密封冲洗方案之外,新加入了方案03、55、65A、65B、66A、66B和99。
对于轴封型离心泵来说,机械密封及其系统属于本体上非常重要的部件,如果选型、使用不当,不仅直接影响到泵组的长期安全稳定运行,而且对企业财产、员工的人身安全及环境带来威胁。据中石化2010年对其所属31家炼油板块企业共1966台高温油泵的故障调查,发现因密封泄漏所引起的泵故障占第一位(密封系统故障高达23%)。
标准以实践经验为准,特别强调活用。为此,在工程实践中,如何合理的选型、使用标准中推荐的密封系统成了泵和机械密封制造商、工程公司及用户不得不认真面对的技术问题。本文将根据本人多年在电站泵和石化泵技术一线的工作及工程实践经验,以第4版为例对API682标准在工程实践中的一些典型的、科学的应用进行较详细地讲解,以期有利于中国泵行业及机械密封制造商能更好地理解和灵活运用该标准,进而打造出具有自主知识产权、国际级品牌的产品。
API682标准第1版发行于1994年,它是炼油厂许多关键旋转设备工程师们共同努力的成果。编制该标准的目的是给炼油厂大多数通用密封提供解决方案,但并没有尝试覆盖所有旋转设备机械密封,也没有覆盖所有应用领域。自第1版发行以来,尽管密封工业发生了许多变化以至于对第1版进行了修正,新的密封型式(如干气密封和无泄漏密封)已在炼油工业中广泛应用,但是用户希望密封标准的使用范围能扩大到通用化工泵上。
API682标准第1版的应用,对美国其它标准如ANSI和ASME的执行带来了挑战,API标准化工作小组继成功的编制了第1版以后,对第1版进行了升级、扩充,并于2002年7月颁布了第2版。第1版标准特别说明用于API和美国,第2版为最终成为ISO标准做好了准备,并已按ISO标准进行编制。第3版标准正式成为ISO标准,并于2004年正式颁布。自2006年开始,API标准化工作小组就一直从事对第3版的更新工作,工作小组的成员除了有来自于先进的密封系统制造商之外,还有来自于著名的设计公司、规模较大的能源公司(如Shell)以及密封解决方案的实际用户,第4版标准于2014年5月正式发布。目前,API682第3版标准仍然有效。
API682标准最核心的目标是让密封及其系统连续运行至少3年【25000个工作小时,且符合法律规定的排放值要求,美国环保署(EPA)方法21】,而且运行可靠性更高、维护得到简化。
2.1 密封类别的选择
(1) 对于非API泵:通常选择类别1密封,其密封腔尺寸符合ASME B73.1和B73.2所规定的尺寸范围,不一定符合API610标准要求。
(2) 对于API泵:通常选择类别2密封,密封腔尺寸符合API610标准所规定的尺寸范围。
2.2 密封型式的选择
(1) 常温工况:通常选择A型密封,最高使用温度可达176℃。
(2) 低温工况:通常选择B型密封,最高使用温度可达176℃。
(3) 高温工况:通常选择C型密封,最高使用温度可达400℃。
(4) 高吸入压力工况:通常选择A型密封,但适用温度范围覆盖低温到高温。
2.3 密封布置的选择
(1) 无毒无害、非易燃易爆介质:通常选择布置方式1。
(2) 有毒有害、危险、不干净或聚合介质:通常选择布置方式3。
(3) 易燃、易爆工况:通常选择布置方式2或3。
(4) 酸或碱介质:通常选择布置方式1或3,不用布置方式2。
(5) 操作温度大于等于泵送介质自燃点的泵,通常选择布置方式2或3。
(6) 高温或低温工况、含盐或碱工况:通常需增加PLAN62。
(7) 立式泵:通常增加或采用PLAN13,以便于排气。
(8) 含固体颗粒或高温或聚合和/或氧化介质:通常采用PLAN32。
PLAN23是80℃及以上热水和锅炉给水的标准冲洗方案。在方案23中,采用喉部衬套将密封腔中的介质与泵体内的介质隔离开来。由泵送环将冲洗液从密封腔中送出,经过一只冷却器对其进行冷却后再返回到密封腔中,形成封闭的冲洗循环回路。该方案中,冷却器仅冷却密封冲洗液,密封冲洗液不进入流程介质,从而产生较高的能效。在工程实践中,典型应用有火电厂高压锅炉给水泵及其前置泵、核电站常规岛主给水泵及其前置泵。
3.1 标准系统图
PLAN23标准系统图见图1。
3.2 工程实践中的应用
(1) 由于给水系统上的设备和管道大部分均采用碳钢或合金钢制造,在有氧气存在的条件下,这些铁质钢材会慢慢地被氧化,并逐渐溶解到水里去,进而在受热的金属面上形成铁垢、容易堵塞管路。为了除去或降低冲洗液内的铁垢含量,实际工程应用中将在标准的密封冲洗方案PLAN23(系统)上增设磁性过滤器。
(2) PLAN23标准的密封冲洗方案中,在冷却器后安装一温度计,以监测流入密封腔的冲洗液温度。在工程实践中,温度计通常安装在冷却器前,以监测流出密封腔的冲洗液温度,这样可以较准确的判断密封腔内冲洗液是否发生了汽化、密封面是否发生了干磨,这种配置方式更合理,并且已经过了20多年的工程实践的验证。
(3) PLAN23标准的密封冲洗方案中,冷却器为立式安装。实际工程应用中,为了节省空间、便于布置,通常采用卧式安装。
工程实践中,火电厂高压锅炉给水泵及其前置泵、核电站常规岛主给水泵及其前置泵PLAN23改进型系统图见图2。
3.3 注意事项
(1) 泵启动前,应在冷却器和冲洗管路最高点进行排气,此时应注意避免高温介质烫伤。从环保和安全方面考虑,建议将排气口以管口的形式引至底座集液槽或以法兰的形式引至泵底座边缘,再由用户现场处理。
(2) 从泵轴心到冷却器底部的高度应控制在18~24"(450~600mm)。
(3) 密封腔内侧应配置小间隙的喉部衬套以隔离工艺介质。
(4) 应定期监测流入、流出密封腔的冲洗液温度,以判断密封腔内冲洗液是否发生汽化、管路是否存在结垢或堵塞的迹象。
高温油泵:指输送介质为热油、且温度大于油的自燃点的油泵的统称。例如催化装置的塔底油浆泵、回炼油泵、回流泵;蒸馏装置的侧线泵、减底泵、常底泵和初底泵;连续重整装置的回流泵、重沸炉泵和塔底泵;加氢裂化装置的柴油泵、循环柴油泵、分馏塔底泵、柴油汽提塔重沸炉泵、分馏塔进料泵;渣油加氢装置的加氢进料泵、分馏塔中段回流泵和柴油泵。
4.1 原标准机械密封型式和冲洗方案
2010年之前,该类泵普遍使用的机械密封型式为单端面波纹管密封,标准冲洗方案为PLAN32+62,标准系统图见图3。
4.2 工程实践中的应用
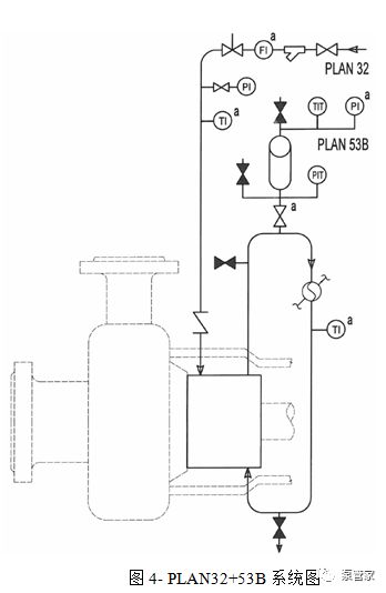
由于单端面波纹管机械密封及PLAN32+62密封系统结构简单,操作维护方便,在工程实践中本已被广大用户接受。但这种密封型式和密封冲洗方案却给用户现场带来严重的安全隐患,从2008年至2010年近3年时间内,中石化连续发生了7次密封泄漏引起的着火事故,给装置安全运行及生产任务的完成带来了严重影响。为此,中石化和中石油分别于2010年和2011年出台了“关于切实做好高温油泵安全运行的指导意见”、“高危泵密封改造指导意见”。将原“单端面机械密封”改为“双重密封”,密封冲洗方案也由原“PLAN32+62”改为“PLAN32+53A”或“PLAN32+53B”或“PLAN32+54”或“PLAN32+52”或“PLAN32+55”。
第4版标准加入了新规定的至少28天的补充隔离液的周期。为此,隔离罐的容量必须足够大以确保在整个周期内不用补充隔离液;同时,为了获得最为紧凑的隔离罐,要求制造商找到隔离液泄漏值最小的优化系统解决方案[3]。
对于53A、53B、54、55或52方案,其应用各有利弊。
(1) 53A方案是制造上复杂程度最低的解决方案。采用外部压力源(通常为氮气)对隔离罐内的隔离液进行加压,为密封腔提供洁净的隔离液,通过密封腔内部的泵送环实现循环,隔离液的压力比介质侧的压力高。
该方案存在一定的局限性,具体如下:
l 随着外部压力的增加会有部分氮气溶解到隔离液内,从而可能导致机械密封的密封面存在润滑不足的风险。
l 该方案要求用户现场必须具有稳定的(氮气)压力源,且该压力源必须比最大密封腔压力至少高1.4 bar。如果外部压力源的压力发生波动或下降,会引起内密封冲洗液流向的改变,隔离液会受到泵送介质的污染(如脏的、磨蚀性或易聚合介质)可能导致密封失效。
l 由于会有少量隔离液进入流程介质,因此,要求隔离液与流程介质相容、且不会对流程介质造成污染。
(2) 53B方案虽较复杂,但可用于需要更高隔离压力的环境。采用一种特别智能的解决方案,预加压的气囊蓄能器为闭合循环系统提供压力,为密封腔提供洁净的隔离液,通过密封腔内部的泵送环实现循环,隔离液的压力比介质侧的压力高。弹性气囊将氮气与隔离液分离开来。受密封泄漏和温度的影响,气囊的压力会发生变化,可通过系统上的温度和压力监测来确定补充隔离液的时间。由于会有少量隔离液进入流程介质,因此,要求隔离液与流程介质相容、且不会对流程介质造成污染。
(3) 53C方案采用了活塞式蓄压器,在53方案中属于最复杂的密封辅助系统,一般不作推荐,但其可用于需要更高隔离压力的环境。通过一只活塞蓄压器对外部隔离液系统提供压力,为双端面密封提供隔离液,循环动力由密封腔内部的泵送环来提供。
(4) 54方案整个系统由用户现场提供,泵供货商仅提供密封冲洗接口。加压的外部隔离液系统为密封腔提供洁净的隔离液,靠外部的泵或加压系统实现循环,隔离液的压力比介质侧的压力高至少高1.4 bar。由于会有少量隔离液进入流程介质,因此,要求隔离液与流程介质相容、且不会对流程介质造成污染。该方案要求用户现场必须具有稳定、清洁的隔离液源。
(5) 52方案由外部缓冲罐提供缓冲液给布置2机封的外侧机封,靠密封腔内部的泵送环实现循环。缓冲液应维持在比密封腔压力至少低2.8 bar的压力,并持续向回收系统排气。
该方案也存在一定的局限性,具体如下:
l 由于缓冲罐持续向回收系统排气,因此,要求缓冲液的压力应接近大气压力。
l 该方案最适合应用于清洁、非聚合的轻烃类介质工况,运行过程中会有少量的气体析出。
l 由于缓冲液的压力低于密封腔压力,随着时间的推移,流程介质会泄漏到缓冲液中、并与其混合最终污染缓冲液,这对缓冲罐及其系统的维护、清洁将带来极大不便。
l 同时,要求缓冲罐及其系统必须能够承受密封腔的最大压力和介质温度。
(6) 55方案要求用户现场必须具有稳定、清洁的缓冲液源,其局限性同上,在此不作讲解。
综上所述,在工程实践中,高温油泵最合适的密封型式及冲洗方案分别为双重密封、32+53B或32+54冲洗方案。
由于54方案要求用户现场必须具有稳定、清洁的隔离液源,在此将不作讲解。PLAN32+53B系统图见4。
4.3 注意事项
PLAN32+53B在工程实践应用中应注意以下内容:
(1) 对于PLAN32,工程实践中通常用流动视镜代替流量计以便现场观测密封冲洗量,但由于流动视镜既不耐温也不耐压,同时,油品易污染视镜(导致视镜模糊,无法观测),因此,高温油泵工况严禁使用流动视镜。如果要求配置流量计,则流量计应能耐高温、高压。如果有要求对密封冲洗量进行监测,建议配流量变送器。
(2) 介质侧密封必须可以承受正、反两个方向的压力;大气侧密封同样应采用与介质侧密封相同的耐高温密封。
(3) 隔离罐及管路系统应能承受密封腔的最大压力和介质最高温度,同时,隔离罐应符合相关压力容器的标准。
(4) 机械密封主要零件材料要求:当介质温度低于290℃时,辅助密封件可选用全氟醚橡胶O形圈,当介质温度高于290℃时,辅助密封件应选用优质抗起泡进口柔性石墨材质;金属波纹管采用进口INCONEL718材质,焊后应进行热处理。
(5) 有些设计院/用户为了进一步增加机械密封的安全性,在PLAN32+53B的基础上再增加配有小间隙节流衬套的急冷方案62。建议采用低压蒸汽作为急冷源,并设置一急冷出口将低压蒸汽引至底座边缘或适当位置;同进,还应在大气侧密封外侧设置一挡板,以避免低压蒸汽污染到轴承润滑油(而损坏轴承)及冬季时现场出现汽雾(影响对泵组的巡检、维护)。
高吸入压力工况:通常将泵的吸入压力高于标准中规定的密封腔所能承受的最高压力(4.0 MPa·G)的工况,称为高吸入压力工况。用于此工况中的泵称为高吸入压力泵。
5.1 工程实践上的应用
高吸入压力泵普遍存在于石油化工、煤化工、钢厂及化肥厂工况,例如石化连续重整装置的强制循环水泵、催化裂化装置的循环热水泵、常减压装置的热水循环泵;石化乙烯装置的干燥器进料塔回流泵和烃液泵;煤化工甲醇装置的锅炉循环水泵、甲醇加压泵、工艺热冷凝液泵、高压冷凝液泵、锁斗循环泵、激冷水泵;煤制烯烃项目的高压冷凝液泵、水冷壁循环泵、烧嘴循环泵;煤基合成油/煤气化项目的汽包循环泵、中压循环泵、烧嘴冷却水泵、渣罐循环泵、灰水泵;催化原料精制装置的脱沥青油循环泵、溶剂脱沥青装置的重脱油泵、环氧乙烷装置的反应器开车泵、OCU装置的脱乙烯塔回流泵、液化石油气罐区的混合碳四泵、双醋项目的工艺热冷凝液泵及锅炉循环水泵;钢厂的汽化冷却循环水系统的高压循环泵;水泥厂余热利用装置的循环热水泵等;化肥厂的急冷水泵、碳黑洗涤塔给水泵及锅炉循环水泵等。介面将对较典型的、常用的一些高吸入压力泵的系统进行简单介绍。
(1) 饱和水工况
标准冲洗方案为23+61,系统图见图5。
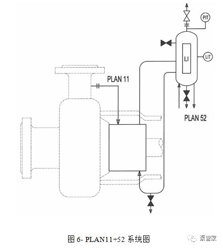
(2) 常温烯烃类工况
标准冲洗方案为11+52或14+52,系统图见图6和图7。对于PLAN14+52,通常用于立式泵,便于排气。
(3) 碳黑水工况
标准冲洗方案为32+61,系统图见图8。
5.2 特别说明
(1) 由于金属波纹管密封与弹簧密封相比承受的压力相对较低,加上金属波纹管密封价格相对较昂贵,因此,工程实践中高吸入压力(及高温或低温)工况通常采用弹簧型密封。但随着技术的进步,金属波纹管密封的承压能力也得到大幅度的提高,如EagleBurgmann为胜利油田某高温、高吸入压力泵提供的密封改造方案中,金属波纹管密封承压可达到10MPa·G。
(2) 高吸入压力工况泵尽可能采用密封自冲洗方案,如21、23、11+52、21+53B等,否则必须要求用户现场具有稳定的、高压力外部冲洗源。如果采用外部液源进行冲洗,对于两级或三级BB型泵,建议增加一平衡(回水)管以确保泵进/出口侧密封腔等压,否则外部冲洗液支管上必须提供减压阀,以满足两侧密封腔不等压要求。
(3)工程实践中,对于高吸入压力工况,目前国产机械密封可靠性还有待提高,且使用寿命普遍不长,最短只有几个星期,最长不超过1年。为此,该工况建议采用全进口或合资、外商独资企业生产的优质机械密封。
在工程实践中,我们偶尔会遇到传统的机械密封结构及密封冲洗方案已无法满足实际需要的案例,如高温无冷却工况。为了应对市场的不同需求,国内外不少密封制造纷纷加大投入从事研发、试制新型结构的机械密封或系统。现以实例对此进行简单介绍。
泵名称:疏水泵(核电站常规岛)
泵型式:立式筒袋泵
泵转速:1480 r/min
泵送介质:凝结水
介质水温:169 ℃
密封要求:无冷却机械密封
6.1 传统密封技术的不足
如果现场无冷却限制,则该工况可采用传统的平面(摩擦副)机械密封,并配以API682标准的密封冲洗方案PLAN23,见图1。
传统的机械密封依靠高精研磨的两个相对运行的平面(摩擦副)进行密封,密封面平衡度要求在0.9μm以内。由封闭的自循环回路为机械密封提供冲洗液,密封端面间产生微小的间隙,端面间的液膜为密封面提供润滑和冷却。该结构在没有冷却的情况下,无法满足API682标准中规定的寿命要求。
6.2 新型密封技术的应用[4]
针对上述工况,John Crane公司开发出一种“LaserFaceTM”的密封(并配以标准的13冲洗方案),采用“控制液膜”密封端面技术的密封,在保证低泄漏率的情况下增强端面润滑性能,从而降低了摩擦热量和磨损,提高了机械密封的性能、可靠性和安全性。该技术已于2010年11月开始应用于大亚湾核电站汽水分离器再热器所有疏水泵上,运行效果良好。目前,JohnCrane公司准备将其应用到相似工况的核级泵上。以下将根据JohnCrane公司提供给我公司的相关信息对LaserFaceTM密封技术作简单的介绍。
LaserFaceTM密封技术主要包括一组采用激光技术精确加工的微米级端面槽,即进口液力槽和月牙返回槽,见图9。长方形的进口液力槽与压力流体区相连,通过液力槽流体可以更容易地渗透到密封端面间。相对滑动的密封环将密封端面间的工艺流体拖曳到切线方向,当工艺流体被拖曳到进口液力槽边缘时,流体液膜收敛,使每一个槽都像一个微动力滑动轴承。也就是说,当另一个表面在多槽端面上滑动时,会在槽的上方及其周边产生流体动压力,即流体动压效应。这些槽产生的动压效应的结果使得两密封面分开。由于在两密封面间存在稳定的流体液膜,两密封面不再直接接触,密封面间的摩擦状态为流体摩擦,从而保证了密封端面低摩擦和低磨损。
与此同时,随着密封端面间稳定液膜间隙的建立,径向泄漏流动阻力大幅降低,泄漏量将增加。为避免泄漏量过大,设计了月牙返回槽。利用月牙返回槽产生流体动压的剪切流对抗形成泄漏的压差流。月牙返回槽不仅可重新将过多的流体带回压力流体区,而且也阻止密封端面外径处的流体径向泄漏。
月牙返回槽布置在密封端面中部,不与压力流体区直接相通,在此聚集的液膜流体沿着月牙返回槽的轨迹流向槽边缘拖曳到槽的末端,这时同样产生流体动压效应。槽末端内的流体压力也远远高于被密封的流体压力,阻滞了泄漏方向的流动,大量的流体再次流向密封工艺液体中,保证密封端面的泄漏量控制在合理的范围内。
LaserFaceTM密封与传统密封相比,具有以下优点:大幅度降低密封的摩擦和磨损,提高密封性能和寿命,设计寿命可达5年左右;在接近于蒸气压的工况下使用无需外部冷却,节能环保;大大简化了密封系统(由PLAn23改为PLAN13),维护非常方便。
API 682 第4版标准对PLAN62方案的描述为:从外部对密封端面的大气侧引入急冷液。急冷液可以是低压蒸汽、氮气或清洁水。该方案应用于单端面密封以排除氧气的存在、防止结焦和冲走动态密封元件周围堆积的不良物质。PLAN62通常与小间隙节流衬套配合使用。
PLAN62标准系统图见图3。
7.1 适用范围
(1) 有毒介质:如苯酚丙酮装置的苯酚装车泵。
(2) 易燃介质:如高温油泵。
(3) 易氧化或结焦介质:如高温碳氢化合物工况和延迟焦化装置的高压水泵。
(4) 低于0℃介质:如化肥厂合成氨装置低温甲醇泵、低温甲醇洗装置的甲醇富液泵。
(5) 在干燥时会结晶或盐析的介质:如液化汽脱硫装置及连续重整装置的碱液循环泵、聚四氢呋喃项目乙炔装置Na2CO3溶液泵。
(6) 常温下会凝固的介质:用以加热或保温,如原油泵。
(7) 腐蚀性介质:PLAN62用以冲走动态密封元件附近积聚的物质。
7.2 应用简介
(1) 普通热水泵
介质温度:80~156℃。
密封夹套冷却+静环冷却(急冷,改进型PLAN62),相当于PLAN02。该方案结构简单,操作维护方便,典型用于单壳体锅炉给水泵。系统图见图10。
(2) 水泥厂(余热发电)锅炉循环水泵
介质温度:~210℃。
标准密封冲洗方案推荐为PLAN23+62,但由于62方案会有部分急冷液一直从小间隙的节流衬套中泄漏出来,用户现场无法判断是急冷液的正常泄漏、还是机械密封故障所致。为此,建议将PLAN23+62改为PLAN23+61。
(3) 高温油泵
不管是PLAN32+62还是PLAN32+53B+62,方案62的用途均为冷却,以避免高温油泄漏后出现结焦或自燃。通常采用低压蒸汽作为急冷源。
(4) 热烃工况
热烃工况上使用PLAN62的目的是吹扫、排除机械密封大气侧氧气的存在,防止结焦。吹扫源应为氮气。
(5) 常温下易凝固介质
如延迟焦化装置中输送渣油的原料油泵和输送蜡油的封油泵、沥青装置的原油泵,急冷方案用于加热或保温,以防止介质在常温下凝固。急冷液建议采用低压蒸汽或热水。
(6) 低温工况
当泵送介质温度低于零度(如甲醇制烯烃装置中的乙烯塔回流泵、乙烯装置乙烯倒罐泵及脱甲烷塔底泵)时,大气中的水份会在机械密封大气侧凝结结冰,在此工况下,密封系统中必须增加方案62进行吹扫,以防止结冰而损坏机械密封。吹扫源可以是氮气,也可以采用干燥空气。
(7) 含碱或盐类介质
当泵送介质为含碱(如丙烯项目碱液配制泵、尿素装置高压甲胺泵)或盐(如乙炔装置Na2CO3溶液泵)类时,为了防止介质在机械密封大气侧结晶或析盐(而损坏密封面),密封系统中必须增加方案62进行吹扫。吹扫源通常为氮气或干燥空气。
7.3 注意事项
(1) 不管是用水急冷还是蒸汽急冷,均应设置急冷入口和排出口。急冷入口应位于压盖顶部,排出口在底部。
(2) 密封大气侧应配置一小间隙的节流衬套,以防止急冷液大量泄漏、水份或蒸气进入轴承箱而污染润滑油。
(3) 通常与单密封一起使用。
(4) 如果急冷液为低压蒸汽,应在密封压盖上设置一挡板,通过挡板将蒸汽引导到集焦或粘性介质易凝块的区域,让蒸汽沿途把密封装置和密封端面上的固体物料带走,以避免密封端面处积聚的固体物料或凝块损坏密封端面。
随着人们安全和环保意识的提高,对各类动设备轴封的要求也越来越高。目前,国内绝大多数石化企业离心泵上的轴封均采用接触式的机械密封,对于一些普通工况,如果选型合理、安装使用正确,勉强能满足标准中规定的使用寿命要求;但对于一些比较苛刻的工况,如石油、化工行业,由于泵送介质多为易燃、易爆、有毒、有害物质和高温、高压工况,接触式机械密封已无法满足无污染、长寿命、低能耗的要求。干气密封的出现,无疑是密封技术的一次革命。与机械密封相比,干气密封具有运行可靠性高、系统简单、使用寿命长、运行维护方便等一系列的优点,目前已开始在石油、化工、天然气工业等逐渐得到认可和应用。
8.1 干气密封的适用范围及选用
(1) 必须与机械密封联合使用,即介质侧采用机械密封(为主密封),大气侧采用干气密封(为辅助密封)。
(2) 一般情况均可采用,对易燃、易爆、易汽化、有毒、有害物质尤为适用。
(3) 高温工况或介质中含有颗粒的工况慎用。
(4) 对于轻烃类、易挥发介质,如丙烷、乙烯等,当现场无氮气源时,大气侧宜采用无压串联式干气密封PLAN71;当现场有氮气源时,大气侧宜采用无压串联式干气密封PLAN72(通常与PLAN76联合使用,即PLAN72+76),系统图见图11。
无压串联式干气密封具有以下特点:
l 在干气密封与主密封之间通入氮气,保证主密封具有一定的背压,可以延长主密封的使用寿命;
l 主密封泄漏的泵送介质随密封气体排入火炬,保证不会泄漏到大气中;
l 主密封失效后,干气密封短时间内起到主密封的作用,防止泵送介质向大气中大量泄漏,属于环保型密封;
l 该密封不是完全意义上的干气密封,其总体性能介于机械密封和干气密封之间;
l 原则上PLAN71、PLAN72+76可替换某些PLAN52工况。
(5)对于有毒有害、不允许介质泄漏到大气 (但允许少量氮气进入泵送介质)的工况, 如甲醇泵、液氨泵、液氯泵等,大气侧宜采用有压双端面干气密封PLAN74,系统图见图12。原则上PLAN74可替换某些PLAN53及PLAN54工况。
(6)当泵送介质中含不易挥发成分、且泄漏物在环境温度下出现凝结或同时含气体和液体时,大气侧宜采用无压串联式干气密封PLAN75(配带凝液收集罐,收集泄漏物,并对泄漏物中的气体和液体进行分离排放),通常与PLAN71或PLAN72联合使用,即PLAN71+75或PLAN72+75。原则上PLAN71+75或PLAN72+75可替换某些PLAN52工况。PLAN72+75系统图见图13。
8.2 注意事项
(1) 由于干气密封出厂时需整体进行气密性试验,因此用户现场如需更换干气密封时必须成套更换(不能单独更换其中的零件),或将整套需要更换的干气密封发给密封制造商,更换部分零件后再整套回装。另外,干气密封系统也只能由密封厂成套。
(2) 开机过程中,不宜在低转速下运行时间太长。正常运转时,应保持转速恒定,调转速时尽可能缓慢操作,以避免转速波动太大对干气密封产生不良影响。
(3) 对于双端面有压干气密封,泵启动前必须先充入氮气,氮气压力要求比介质侧密封腔压力至少高出1.7 bar。
(4) 停泵后,外部的氮气源应照常供气,直至泵已卸压、泵内介质已排尽,以防泵送介质污染干气密封及系统。
API682标准给出了机械密封的选型程序和密封冲洗方案的指导意见,只有在充分理解标准、充分了解现场实际使用工况的基础上、并结合工程实践经验,才能做到对标准的灵活运用,即“基于标准,但高于标准”。

